- Product Category
- Louver
- Application
- Stationary
- Frame Material
- Galvanized G-90
- Frame Thickness
- 18 ga
- Blade Material
- Galvanized G-90
- Blade Thickness
- 18 ga
- Blade Type
- Drainable
- Blade Angle
- 45
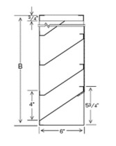
- Frame Depth
- 6"
- Free Area %
- 53.19
- Intake Exhaust
- Both
- Max Velocity FPM
- 1000
- Rectangular Square Shape
- Yes
- Round Shape
- No
- Triangular Shape
- No
- Options
- - 31
- Flange
- - 46
- 3/4" Expanded Aluminum Birdscreen (Removable)
- - 40
- Standard Screen in Removable Frame
- - 41
- 1/2" x 1/2" 16 Gauge Galv. Screen (Removable)
- - 87
- 304 Stainless Steel Construction
- - 42
- 18 x 16 Mesh Aluminum Insect Screen (Removable)
- - 43
- 18 x 16 Mesh Bronze Insect Screen (Removable)
- - 86
- Aluminum Construction (.063" Aluminum)
- - 44
- 1/2" x 1/2" x 16 Gauge S.S. Screen (Removable)
- - 47
- 1/2" x 1/2" x 19 Gauge PV C Coated Birdscreen
- - 89G
- Sleeve, up to 16" deep , 18 Ga Galv., Speciify ( MIn. List $75)
- - 48
- 18 x 14 Mesh Stainless Steel Insect Screen
- - 33
- Continuous Line (Hidden Mullions)
- - 34
- Buck Frame (Requires Flanged Louver)
- - 35
- Sill Extension (Min. List $40.00)
- - 36
- Tack-Welded Construction
- - 37
- Riveted and Welded Construction
- - 81
- 16 Gauge Construction
- - 82
- 14 Gauge Construction
- - 83
- 12 Gauge Construction (Requires Option #36)
- - 88
- Paint Grip Material Construction
Vent Products certifies that the Model 4650 Louver shown herein is licensed to bear the AMCA Seal.The ratings shown are based on tests and procedures performed in accordance with AMCA Publication 511 and comply with the requirements of the AMCA Certified Ratings Program. The AMCA Certified Ratings Seal applies to air performance ratings and water penetration ratings.



TEST UNIT SIZE 48" X 48" (15 Min. Duration)
Data shown does not include the effect of a 1/2" x 1/2" x 19 ga. galvanized birdscreen. Graphs are corrected to standard air density .075 lb. per cubic foot.
RECOMMENDED MAXIMUM INTAKE FREE AREA VELOCITY 1000 F.P.M.

